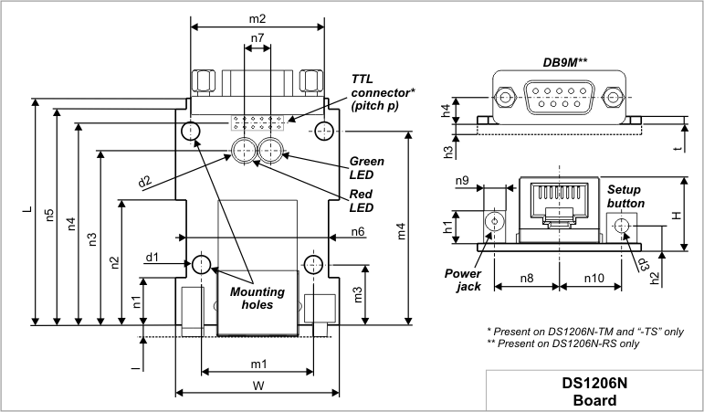
Mechanical Dimensions

L |
Max. |
52.6 |
Board length |
W |
Max. |
38.0 |
Board width |
l |
Aver. |
2.6 |
Distance from the front edge of the PCB to the front surface of the RJ45 jack, power jack, setup button |
H |
Max. |
17.2 |
Board height with components installed on the top side of the board |
t |
Aver. |
1.6 |
PCB thickness |
d1 |
Aver. |
3.6 |
Mounting hole diameter |
d2 |
Aver. |
5.0 |
LED diameter |
d3 |
Max. |
3.5 |
Setup button diameter |
m1 |
Aver. |
26.0 |
Horizontal distance between the mounting holes (first pair) |
m2 |
Aver. |
31.0 |
Horizontal distance between the mounting holes (second pair) |
m3 |
Aver. |
14.0 |
Distance from the front edge of the PCB to the first pair mounting holes |
m4 |
Aver. |
45.0 |
Distance from the front edge of the PCB to the second pair of mounting holes |
n1 |
Aver. |
11.0 |
PCB outline dimension |
n2 |
Aver. |
29.0 |
PCB outline dimension |
n3 |
Aver. |
40.5 |
Distance from the front edge of the PCB to the LEDs |
n4 |
Aver. |
47.0 |
Distance from the front edge of the PCB to the horizontal centerline of the TTL interface connector (present on the DS1202N "-TM" and "-TS" only) |
n5 |
Aver. |
50.1 |
PCB outline dimension |
n6 |
Aver. |
33.0 |
PCB outline dimension |
n7 |
Aver. |
9.0 |
Horizontal distance between LEDs |
n8 |
Aver. |
15.0 |
Distance from the vertical centerline of the PCB to the vertical centerline of the power jack (present on the DS1206N "-RS" and "-TM" only) |
n9 |
Max. |
5.1 |
Power jack width (the power jack is present on the EM1206N "-RS" and "-TM" only) |
n10 |
Aver. |
14.5 |
Distance from the vertical centerline of the PCB to the vertical centerline of the setup button |
h1 |
Max. |
7.5 |
Power jack height (the power jack is present on the DS1206N "-RS" and "-TM" only) |
h2 |
Aver. |
5.5 |
Distance from the bottom surface of the PCB to the center of the setup button |
h3 |
Max. |
2.5 |
Height of the tallest component on the bottom side of the PCB |
h4 |
Aver. |
6.2 |
Distance from the bottom surface of the PCB to the centerline of the DB9M connector (present on the DS1206N-RS only) |
p |
Aver. |
2.0 |
TTL pin header pin pitch (present on the DS1206N "-TM" and "-TS" only) |
Dimensions are for reference only. Tibbo assumes no responsibility for any errors in this manual, and does not make any commitment to update the information contained herein.